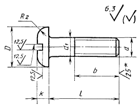
Стандарт ГОСТ 11644-75 распространяется крепежные изделия - винты с цилиндрической скругленной головкой, которые имеют классы точности А и В и нанесенную метрическую резьбу с диаметром от 1 до 20 мм.
Винт с цилиндрической скругленной головкой, класс точности А,В ГОСТ 11644-75 - фото - 2

Винт с цилиндрической скругленной головкой, класс точности А,В ГОСТ 11644-75

Стандарт ГОСТ 11644-75 распространяется крепежные изделия - винты с цилиндрической скругленной головкой, которые имеют классы точности А и В и нанесенную метрическую резьбу с диаметром от 1 до 20 мм.
Санкт-Петербургский Завод крепежных изделий © 2025г. Все права защищены
Адрес
СПб, г. Колпино, б-р Трудящихся, дом 2, лит. А., пом. 13-Н, офис 1
Яндекс.Метрика