- Главная
- Каталог
- Крепеж
- Гайки
- Гайки шестигранные низкие
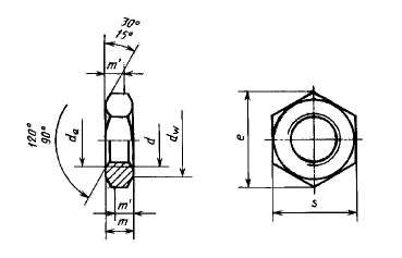
- Гайка шестигранная низкая, класс точности В ГОСТ 10607-94
Гайка шестигранная низкая, класс точности В ГОСТ 10607-94
Класс точности: В.
Поле допуска резьбы: 6H.
Марка стали: 3, 20, 35, 45, 40Х, 09Г2С, 12Х13.
Класс прочности: 4; 5; 6; 8; 10; 12.
Аналог ГОСТ: ГОСТ 10605-94
Поле допуска резьбы: 6H.
Марка стали: 3, 20, 35, 45, 40Х, 09Г2С, 12Х13.
Класс прочности: 4; 5; 6; 8; 10; 12.
Аналог ГОСТ: ГОСТ 10605-94




