- Главная
- Каталог
- Крепеж
- Гайки
- Гайки круглые шлицевые
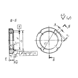
- Гайка круглая шлицевая ГОСТ 8530-90
Гайка круглая шлицевая ГОСТ 8530-90
Гайки круглая шлицевая ГОСТ 8530-90. Применяются на точечных закрепительных и стяжных втулках, для крепления внутренних колец подшипников на валах.
Поле допуска резьбы: 7H, 7е.
Марка стали: 3, 20, 35, 45, 40Х, 09Г2С, 12Х13
Поле допуска резьбы: 7H, 7е.
Марка стали: 3, 20, 35, 45, 40Х, 09Г2С, 12Х13




